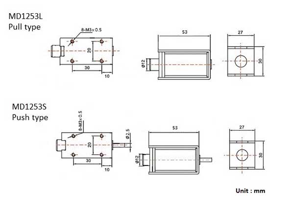
MD1253 Open Frame Solenoid
• Operation voltage: DC or AC voltage
• Duty Cycle
Continuous: 100% On Time
Intermittent: (On Time) / (On + Off Time) x 100%
• Insulation class: B CLASS. (130°C)
• Dielectric strength: AC 1000V,50/60Hz, 1min. (at normal temperature and normal humidity)
• Insulation resistance: more than 100M ohms on a DC 500V (at normal temperature and normal humidity)
• Life: 1,000,000 cycles minimum
DESCRIPTION
Size
L W H (mm)
53×27×30
Plunger Dia. (mm)
12
